通风管道工程量-连续测量化繁为简
通风管道工程量-连续测量化繁为简
通风管道的工程量计量单位为平方米(m²),以展开面积计算。通风管道长度的计算均依据设计图示中心线长度,不包括部件所占长度。【连续测量】功能在计算通风管道长度时能化繁为简,实现不同规格通风管道的分类统计。
一、基础知识
建筑防火防排烟
(1)建筑防火分区和防烟分区。为了将火灾控制在一定的范围内,避免火势的整延,利用防火门、防火窗、防火卷帘、消防水幕等分隔设施将整个建筑从平面到空间划分为若干个相对较小的区域,这些区域就是防火分区。《建筑设计防火规范》GB50016一2014(2018年版)对每个防火分区允许最大建筑面积做了规定,见表5.2.1。

为了控制烟气流动,可以利用挡烟垂壁、隔墙或从顶棚下突出不小于0.5m的梁等防烟隔断将一个防火分区划分为几个更小的区域,称为防烟分区。
(2)防排烟方式。
1)自然排烟。自然排烟是利用热烟气产生的浮力、热压或其他自然作用力使烟气排出室外。这种排烟方式设施简单,投资少,日常维护工作少,操作容易;但排烟效果不稳定,应用有一定限制。自然排烟有利用外窗或专设的排烟口排烟和利用竖井排烟。除建筑高度超过50m的一类公共建筑和建筑高度超过100m的居住建筑外,靠外墙的防烟楼梯间及其前室、消防电梯间前室和合用前室,宜采用自然排烟方式。不靠外墙的防烟楼梯间前室、消防电梯前室和合用前室或虽靠外墙但不能开窗者,可采用排烟竖井自然排烟。
2)机械排烟。机械排烟实质上是一个排风系统。机械排烟的优点是不受外界条件(如内外温差、风力、风向、建筑特点、着火区位置等)的影响,而能保证有稳定的排烟量。机械排烟的设施费用高,需经常保养维修。

3)加压防烟系统。加压防烟是用风机把一定量的室外空气送入房间或通道内,使室内保持一定压力或门洞处有一定流速,以避免烟气侵入。
加压防烟是一种有效的防烟措施,但它的造价高,一般只在一些重要建筑和重要的部位才用这种加压防烟措施,目前主要用于高层建筑的垂直疏散通道和避难层(间)。在高层建筑中一旦火灾发生,电源都被切断,除消防电梯外其他电梯停运。因此,垂直通道主要指防烟楼梯间和消防电梯,以及与之相连的前室和合用前室。前室是指与楼梯间或电梯入口相连的小室,合用前室指既是楼梯间又是电梯间的前室。上述这些通道只要不具备自然排烟,或即使具备自然排烟条件但它们在建筑高度过高或重要的建筑中,都必须采用加压送风防烟。

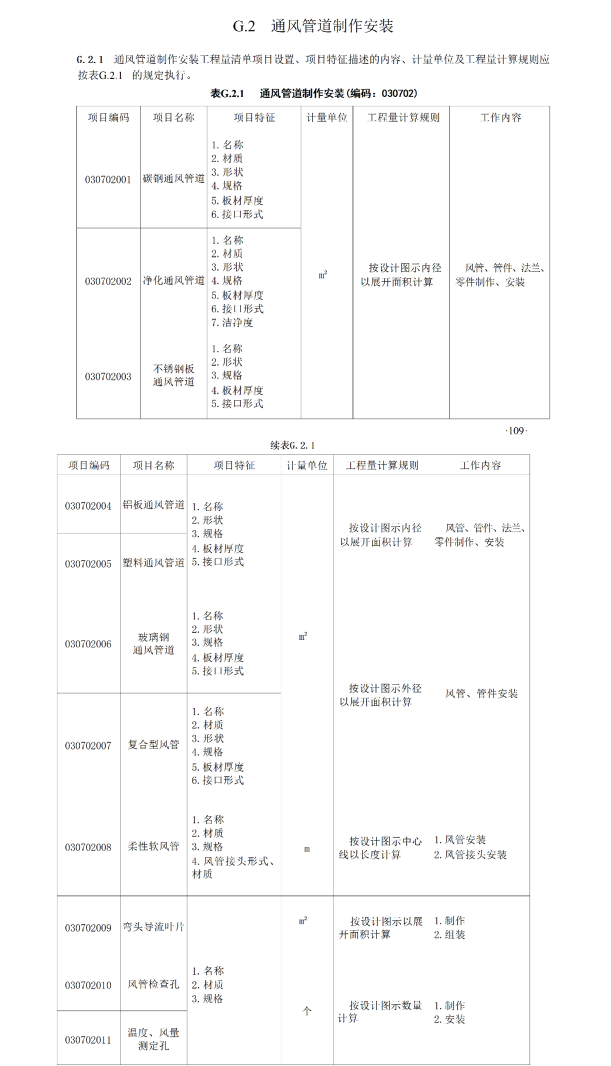
二、清单计量规则

三、案例分析
1. 观察二层空调通风平面图,通风管道有1400×800和1000×500两种规格,材质为镀锌钢板。

2. 打开CAD快速看图软件查看图纸。首先,依次选择【测量】和【连续测量】功能,依据设计图示中心线绘制通风管道路径,为区分不同规格的通风管道,使用【标注设置】功能,以绿色线条表示规格为1000×500的通风管道。
待所有通风管道测量完毕后,使用【测量统计】功能按标注颜色过滤。如图所示,规格为1400×800的通风管道长度为52.332米,规格为1000×500的通风管道长度为56.818米。




3. 通风管道展开面积 = 长度 × 截面周长
1400×800:2 × (1.4 + 0.8) × 52.332 = 230.26 m²
1000×800:2 × (1 + 0.8) × 56.818 = 204.54 m²
【连续测量】和【测量统计】功能强大,能将复杂的通风管道工程量统计计算化繁为简。测量结果可按颜色或手动分类标注以区分不同规格,并支持导出Excel表格,便于后续工程量汇总。
#连续测量#测量统计#通风管道#